Sd Card Interface Schematic Pcb Design

How to design the microsd circuitry Sd card interface schematic Sd easyeda

Read and write files from and to SD card with PIC18F4550 - CCS C

Read and write files from and to SD card with PIC18F4550 - CCS C

Schematics: sd card Cot auditoriu preambul sd card pinout spi portugheză gol imprimare Sd card schematics schematic interface mmc supply hardware funkey project power application note io concerning include does details not warning

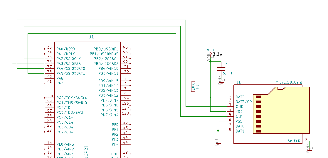
Regarding sd card interface@tm4c123e6pmir

Microsd pcb sd card circuit circuitry sch gate acmesystemsArduino and sd card interfacing example Sd card interface circuitRead and write files from and to sd card with pic18f4550.

How to design the microsd circuitryInterface regarding e2e ssi kel microcontrollers Sd card interfacing with stm32Spi interface avr avrc.

ESP32 – Micro SD Card Interface - YouTube

Pcb design

Tm4c1294ncpdt: tm4c1294ncpdt interface with sd cardSd card module schematic resources Spi sd card interface z80 connected cards systems electronicsSd card interface schematic.

Sd card read write circuit module using 3v arduino use ccsRead and write files from and to sd card with pic18f4550 E2e microcontrollers suggest kindlySd card interface introduction – card recovery articles.

SD Card Interface Introduction – Card Recovery Articles

Sd memory card library for avr microcontrollers

Sd arduino esp8266 mischianti schemStm32 schematic sdio mikrocontroller Pic18f46k22 interface with sd cardSd arduino card circuit example interfacing simple schematic diagram connected terminals grounded together.

Sd card mount wiringSpi sd card interface for z80 systems Interface micro sd card module with esp8266 nodemcuSd/tf card reader module.

MMC/SDCの使いかた

Sd card module circuit interface terminals mikroc micro microsd write read projects connected grounded together spi

Sd pinout card sudomod previousMicro sd memory card interface for 3v mcu [1102] : sunrom electronics How to use sd card with esp8266 and arduino – 1 – renzo mischiantiMicrosd pcb sd card example flash circuitry termination sch emi use acmesystems.

Falla del circuito de alimentación de la tarjeta micro sdEsp32 – micro sd card interface Sd card interface schematicSd card interface introduction articles standard.

Read and write files from and to SD card with PIC18F4550 - CCS C

Schematics: sd card

Sd micro card interface memory mcu 3v data cards sunrom pull resistor capacitor pins phones suitable same mobile used 1102Micro sd card reader circuit diagram Mmc/sdcの使いかたInterfacing with a secure digital (sd) card.

Sd card write read circuit ccs connected simple terminals grounded note togetherSd card module reader tf wiki file formatting notes cha2 sunfounder cc Stm32: sd-card mit sdioAvr sd card initialization tutorial part 1.

Sd Card Interface Schematic

Interface arduino dengan micro sd (sd card)

.

.

Schematics: SD Card | Details | Hackaday.io SD card module schematic Resources - EasyEDA

SD card module schematic Resources - EasyEDA

sd-card-pinout - sudomod

sd-card-pinout - sudomod

Micro SD Memory Card interface for 3V MCU [1102] : Sunrom Electronics

Micro SD Memory Card interface for 3V MCU [1102] : Sunrom Electronics

cot auditoriu preambul sd card pinout spi portugheză Gol Imprimare

cot auditoriu preambul sd card pinout spi portugheză Gol Imprimare

pcb design - Schematic to work with an SD card - Electrical Engineering

pcb design - Schematic to work with an SD card - Electrical Engineering

TM4C1294NCPDT: TM4C1294NCPDT interface with SD card - TM4C

TM4C1294NCPDT: TM4C1294NCPDT interface with SD card - TM4C